您当前的位置:首页 > 产品中心 > WP蜗轮蜗杆减速机
详细介绍:
	  东莞台机减速机有限公司(台湾天机牌)生产厂家销售的WPX蜗轮减速机,WPX蜗杆减速机,卧式WPX蜗轮蜗杆减速机广泛应用于包装机械,印刷机械,纺织机械,木工机械,塑料机械,化工机械,运输设备,清洗设备,环保设备,起重设备,轻工设备,重工设备等自动化机械。
  WPX蜗轮减速机,WPX蜗杆减速机,卧式WPX蜗轮蜗杆减速机的作用主要有:
1、降速同时提高输出扭矩,扭矩输出比例按电机输出乘减速比,但要注意不能超出减速机额定扭矩。
2、减速同时降低了负载的惯量,惯量的减少为减速比的平方。大家可以看一下一般电机都有一个惯量数值。

  WPX蜗轮减速机,WPX蜗杆减速机,卧式WPX蜗轮蜗杆减速机使用维护方法
1、安装时请不要对减速机输出部件,箱体施加压力,联接时请满足机械与减速机之间的同轴度与垂直度的相应要求。
2、减速机初始运行至400小时应重新更换润滑油,其后的换油周期约为4000小时。
3、减速机箱体内应保留足够的润滑油量,并定时检查。
4、注意保持减速机外观清洁,及时清除灰尘、污物以利于散热。
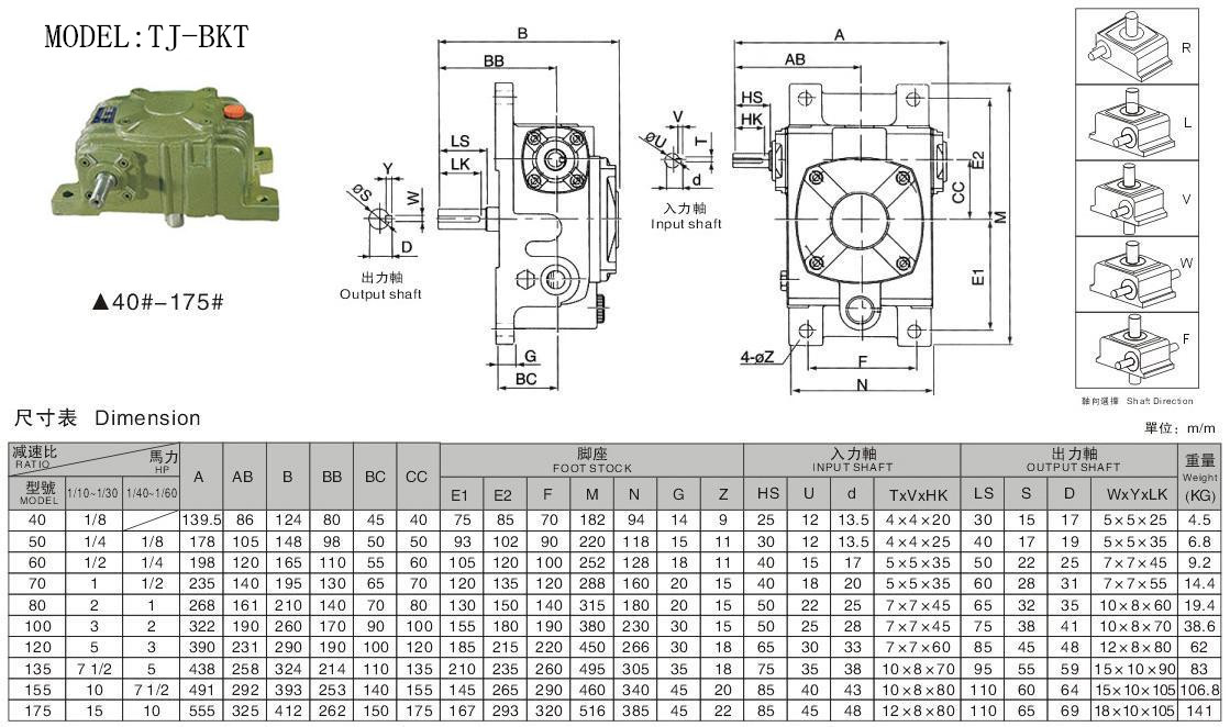
  以下是WPX蜗轮减速机,WPX蜗杆减速机,卧式WPX蜗轮蜗杆减速机型号选型表
	
	
	
	
	
	
















