您当前的位置:首页 > 产品中心 > WP蜗轮蜗杆减速机
下一篇:WPDKS蜗轮蜗杆减速机,空心轴蜗轮蜗杆减速机,自锁蜗轮蜗杆减速机
详细介绍:
东莞台机减速机有限公司(台湾天机牌)生产厂家制造销售的WPDK蜗轮蜗杆减速机又称立式蜗轮蜗杆减速机,该产品采用进口原材料,台湾生产加工技术,并且通过ISO9001质量体系认证和CE认证,质量放心可靠。
WPDK蜗轮蜗杆减速机,立式蜗轮蜗杆减速机是一种动力传达机构,利用齿轮的速度转换器,将电机(马达)的回转数减速到所要的回转数,并得到较大转矩的机构。在目前用于传递动力与运动的机构中,减速机的应用范围相当广泛。
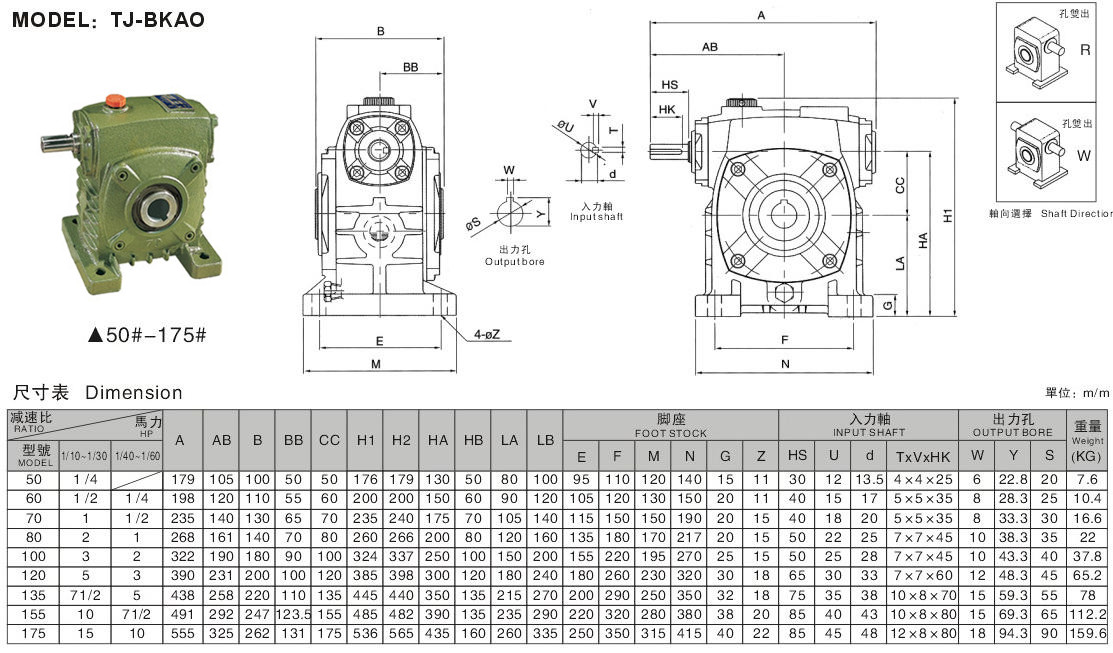
WPDK蜗轮蜗杆减速机,立式蜗轮蜗杆减速机是单轴输入,空心轴输出。WPDK减速机轴指向表示方法.机座号从40到250,可选速比从10到60。
以下是WPDK蜗轮蜗杆减速机,立式蜗轮蜗杆减速机选型参数图















